High Side Gate Driver Without Bootstrap

Mosfet High Side Gate Driving Without Driver Electrical Engineering Stack Exchange

Mosfet High Side Gate Driving Without Driver Electrical Engineering Stack Exchange

Help Need In Driving High Side Nmos Without Bootstrap Circuit Electrical Engineering Stack Exchange

Help Need In Driving High Side Nmos Without Bootstrap Circuit Electrical Engineering Stack Exchange

High Side Gate Driver Not Working Under Load High Current Electrical Engineering Stack Exchange

High Side Gate Driver Not Working Under Load High Current Electrical Engineering Stack Exchange

Schematic Circuit Electronics Circuit Sides

Schematic Circuit Electronics Circuit Sides

Vvedite Opisanie Izobrazheniya Zdes Circuit Electronics Circuit Sides

Vvedite Opisanie Izobrazheniya Zdes Circuit Electronics Circuit Sides

Shema Bootstrap Dlya Drajvera Mosfet S Vysokoj Storony Circuit Sides Driving

Shema Bootstrap Dlya Drajvera Mosfet S Vysokoj Storony Circuit Sides Driving

Shema Bootstrap Dlya Drajvera Mosfet S Vysokoj Storony Circuit Sides Driving

Isolated drivers using high side bootstrap circuit signal isolation the input signals of u1 are isolated in figure 5 with the isolated gate driver ucc53xx.

High side gate driver without bootstrap.

When the low side fet is turned off and the high side is on the hs pin of the gate driver and the switch node are pulled to the high voltage bus hv. Does anyone know of a self supplying high side driver for n channel power fets. The bootstrap capacitor discharges some of the stored voltage accumulated during the charging sequence to the high side fet through the ho and hs pins of the gate driver as shown in figure 2. Bootstrap diode characteristics such as peak forward and reverse current play an important role in reliable operation of the bootstrap diode and also hb driver.

While the bootstrap diode blocks that above v voltage. I am looking for a high side mosfet driver that is functionally equivalent to the ir2117 18 but does not use a bootstrap supply since i need a static on off switch and would like to avoid the extra supply charge pump if possible. Optimum bootstrap capacitor need to be selected based on overall system operation. An under voltage lockout uvlo on the low sides and each of the high side driving sections prevent the power switches from operating in low efficiency or.

Using a single output gate driver for high side or low side drive 2 4 bootstrap bias supply with isolated high low side gate driver solution figure 5. Waveforms in case of latch up input output figure 8 shows missing case that the high side output does not responded to input transition. Tronic lighting ballasts must rely not only on a properly selected high side low side gate driver ic but also on an external bootstrap circuit and its pcb layout. The isodriver high side drive channel s require s a bootstrap circuit when the high side switch has a drain voltage greater than the isodriver s vdda supply.

The 3 high side bootstrapped sections can operate as high as 600 v and can be supplied through the integrated bootstrap diodes which save the pcb area and reduce the bill of materials. When the low side n fet turns off the low side of the bootstrap capacitor remains connected to the source of the high side n fet and the capacitor discharges some of its energy driving the gate of the high side n fet to a voltage sufficiently above v to turn the high side n fet fully on. Condition occur on external main high side and low side switches in half bridge topology. The high side drivers come with high side referenced output channels to control power devices like mosfets and igbts.

They are perfect for applications like aircon automotive solar.

High Side Mosfet Driver Electrical Engineering Stack Exchange

High Side Mosfet Driver Electrical Engineering Stack Exchange

Top Gate Driver Pitfalls And How To Address Them Ti Com Video

Top Gate Driver Pitfalls And How To Address Them Ti Com Video

Driving High Side Mosfet Using Bootstrap Circuitry Part 17 17

Driving High Side Mosfet Using Bootstrap Circuitry Part 17 17

Power 650vdc High Side Low Side Gate Driver Soi 2ed2181s06f V1 Tsc Infineon Designer

Power 650vdc High Side Low Side Gate Driver Soi 2ed2181s06f V1 Tsc Infineon Designer

High Side Switching Inductive Load With Mosfet Electrical Engineering Stack Exchange

High Side Switching Inductive Load With Mosfet Electrical Engineering Stack Exchange

Pdf Design Of High Side Mosfet Driver Using Discrete Components For 24v Operation

Pdf Design Of High Side Mosfet Driver Using Discrete Components For 24v Operation

High Side Driver Failure Electrical Engineering Stack Exchange

High Side Driver Failure Electrical Engineering Stack Exchange

Mp1907 100v 2 5a High Frequency Half Bridge Gate Driver Mps

Mp1907 100v 2 5a High Frequency Half Bridge Gate Driver Mps

High Side Drivers Infineon Technologies

High Side Drivers Infineon Technologies

N Channel Opto Isolated Mosfet Switching Circuit Using Irf630 Circuit High Voltage Electronics Basics

N Channel Opto Isolated Mosfet Switching Circuit Using Irf630 Circuit High Voltage Electronics Basics

Gate Drive Transformer Vs High Low Side Driver Which Way To Go For Power Supply Design Power Management Technical Articles Ti E2e Support Forums

Gate Drive Transformer Vs High Low Side Driver Which Way To Go For Power Supply Design Power Management Technical Articles Ti E2e Support Forums

Powering The Isolated Side Of Your Half Bridge Configuration Analog Devices

Powering The Isolated Side Of Your Half Bridge Configuration Analog Devices

Ir2110 Mosfet Driver Application Circuit Electronic Circuit Design Circuit Design Drivers

Ir2110 Mosfet Driver Application Circuit Electronic Circuit Design Circuit Design Drivers

Https Engineering Purdue Edu Ece495 Power Electronics Lab Exp5 Pdf

Https Engineering Purdue Edu Ece495 Power Electronics Lab Exp5 Pdf

The Following Post Shows How A Full Bridge 1 Kva Inverter Circuit Can Be Built Using 4 N Channel Mosfets Circuit Diagram Circuit Projects Electronics Circuit

The Following Post Shows How A Full Bridge 1 Kva Inverter Circuit Can Be Built Using 4 N Channel Mosfets Circuit Diagram Circuit Projects Electronics Circuit

Automotive Pwm Control Of P Channel Mosfet Irf4905 As High Side Switch

Automotive Pwm Control Of P Channel Mosfet Irf4905 As High Side Switch

High And Low Side Switching Of Mosfet Part 13 17

High And Low Side Switching Of Mosfet Part 13 17

Tips For Practical Use Gate Driving Part 1 Basic Knowledge Rohm Tech Web Technical Information Site Of Power Supply Design

Tips For Practical Use Gate Driving Part 1 Basic Knowledge Rohm Tech Web Technical Information Site Of Power Supply Design

Https Encrypted Tbn0 Gstatic Com Images Q Tbn 3aand9gcqg5avyrycvarfxbphzqedwlkmci4iv6cu1ypsaedqs2yzqmmkk Usqp Cau

Https Encrypted Tbn0 Gstatic Com Images Q Tbn 3aand9gcqg5avyrycvarfxbphzqedwlkmci4iv6cu1ypsaedqs2yzqmmkk Usqp Cau

Issue Implementing Half Bridge Gate Drive Ir2110 In Full Bridge Mode High Side Not

Issue Implementing Half Bridge Gate Drive Ir2110 In Full Bridge Mode High Side Not

Half Bridge Driver High Side Low Side Driver Technical Documents Power Ics Ti Com

Half Bridge Driver High Side Low Side Driver Technical Documents Power Ics Ti Com

Https Training Ti Com Sites Default Files Top 10 Gate Driver Pitfalls And How To Address Them Pdf

Https Training Ti Com Sites Default Files Top 10 Gate Driver Pitfalls And How To Address Them Pdf

P Channel Mosfet In H Bridge Applications Homemade Circuit Projects

P Channel Mosfet In H Bridge Applications Homemade Circuit Projects

Vvedite Opisanie Izobrazheniya Zdes In 2020 Capacitors Boot Straps Electronics Circuit

Vvedite Opisanie Izobrazheniya Zdes In 2020 Capacitors Boot Straps Electronics Circuit

Mc34063 Boost Converter Circuit Converter Electronics Circuit Electronic Engineering

Mc34063 Boost Converter Circuit Converter Electronics Circuit Electronic Engineering

Https Www Onsemi Cn Pub Collateral An 6076 Pdfjp Pdf

Https Www Onsemi Cn Pub Collateral An 6076 Pdfjp Pdf

Resolved Ucc27517a Why Do Both The High Side And Low Side Gate Driver Use The Bootstrap Cap And Diode Power Management Forum Power Management Ti E2e Support Forums

Resolved Ucc27517a Why Do Both The High Side And Low Side Gate Driver Use The Bootstrap Cap And Diode Power Management Forum Power Management Ti E2e Support Forums

Lm5112 Gate Driver Power Management Forum Power Management Ti E2e Support Forums

Lm5112 Gate Driver Power Management Forum Power Management Ti E2e Support Forums

High Frequency Fet Control A New Gate Driver Ic From Diodes Incorporated Technical Articles

High Frequency Fet Control A New Gate Driver Ic From Diodes Incorporated Technical Articles

Internal Opto Coupler Circuit Different Detectors Microcontrollers Transistors Electronic Schematics

Internal Opto Coupler Circuit Different Detectors Microcontrollers Transistors Electronic Schematics

H Bridge Using Only N Channel Mosfets Circuit Circuit Projects Electronic Circuit Projects

H Bridge Using Only N Channel Mosfets Circuit Circuit Projects Electronic Circuit Projects

Pdf An 4171 Fan7085 High Side Gate Driver Internal Recharge Path Design Considerations

Pdf An 4171 Fan7085 High Side Gate Driver Internal Recharge Path Design Considerations

How Can This Driver Power A High Side Mosfet Electrical Engineering Stack Exchange

How Can This Driver Power A High Side Mosfet Electrical Engineering Stack Exchange

How To Modify Smps For Adjustable Current And Voltage Output Switched Mode Power Supply Circuit

How To Modify Smps For Adjustable Current And Voltage Output Switched Mode Power Supply Circuit

A Simple Smooth Transition Technique For The Non Inverting Buck Boost Converter Request Pdf

A Simple Smooth Transition Technique For The Non Inverting Buck Boost Converter Request Pdf

Arduino 3 Phase Inverter Circuit With Code Homemade Circuit Projects In 2019 Circuit Projects Circuit Arduino

Arduino 3 Phase Inverter Circuit With Code Homemade Circuit Projects In 2019 Circuit Projects Circuit Arduino

Lm5100 Lm5101 High Voltage High Side And Low Side Gate Driver

Lm5100 Lm5101 High Voltage High Side And Low Side Gate Driver

How To Replace A Transistor Bjt With A Mosfet Homemade Circuit Projects Circuit Projects Transistors Circuit

How To Replace A Transistor Bjt With A Mosfet Homemade Circuit Projects Circuit Projects Transistors Circuit

What Is A High Side Low Side Driver In Electronics Quora

What Is A High Side Low Side Driver In Electronics Quora

Ac Pwm Dimmer For Arduino Arduino Arduino Stepper Cool Electronics

Ac Pwm Dimmer For Arduino Arduino Arduino Stepper Cool Electronics

Power Management Chapter 8 Power Management Ics Power Electronics

Power Management Chapter 8 Power Management Ics Power Electronics

Https Encrypted Tbn0 Gstatic Com Images Q Tbn 3aand9gcq00tgg22fawuxj8u 3etdxa Yqu7k By5zag Usqp Cau

Https Encrypted Tbn0 Gstatic Com Images Q Tbn 3aand9gcq00tgg22fawuxj8u 3etdxa Yqu7k By5zag Usqp Cau

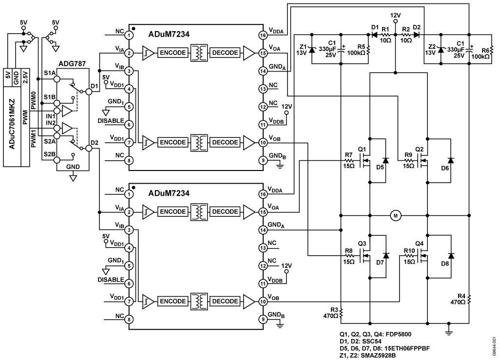
Cn0196 Circuit Note Analog Devices

Cn0196 Circuit Note Analog Devices

1

1

Source : pinterest.com